ISO 6149 -3 Hidraulikus folyadék és általános használatú csatlakozások - ISO 261 metrikus menettel és O-gyűrűs tömítéssel ellátott kikötők és csapok - 3. rész: Méretek, kialakítás, vizsgálati módszerek és követelmények könnyű (L sorozatú) csapokhoz

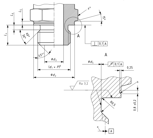
Az ISO 6149 ezen része meghatározza a metrikusan állítható és nem állítható könnyű (L sorozatú) csapos végek és O-gyűrűk méreteit, teljesítménykövetelményeit és vizsgálati eljárásait.
Az ISO 6149 ezen részének megfelelően az állítható végek 40 MPa [400 bar1] -ig terjedő üzemi nyomáson használhatók nem állítható csapos végeknél és 31,5 MPa (315 bar) állítható csapoknál. A megengedett üzemi nyomás függ a szegély méretétől, anyagától, kialakításától, munkakörülményeitől, alkalmazásától stb.
Az ISO 6149 ebben a részében a méretadatoknak való megfelelés nem garantálja a teljesítményt. Minden gyártónak meg kell vizsgálnia az ISO 6149 ezen részében leírt előírásokat, hogy az alkatrészek megfeleljenek a teljesítményértékeléseknek.
1. MEGJEGYZÉS Jelentős számú tesztet végeztek a szénacélból készült csatlakozó végek teljesítménykövetelményeinek megerősítésére.


2. MEGJEGYZÉS Az ISO 6149 ez a része az ISO 8434-1 és az ISO 8434-2 részletesen ismertetett csatlakozókra vonatkozik (lásd az ISO 12151-4 szabványt a kapcsolódó tömlőillesztési specifikációkról).
3. MEGJEGYZÉS Az ISO 6149 ezen részének bevezetése ajánlásokat fogalmaz meg a kikötőkre és a csapok végére, amelyeket a hidraulikafolyadék-alkalmazások új konstrukcióihoz használnak.






